手机:18815239758(同微)
电话:0576-89881178
电话:0576-89825885
数显控制型阀门测试台阀门检测设备
小编与大家详细探讨下阀门测试行业一款比较常用的台州菲恩特数显控制型阀门测试台。
驱动气压:3-8bar
输出压力:0-300Mpa
显示进度:0.01Mpa
流量:0.2-50L/min
工位:1工位
产品判定合格:响应—绿灯—蜂鸣器报警----数显控制器显示
产品判定不合格:响应---红灯—蜂鸣器报警—数显控制器显示
保压时间:可按照客户要求进行设定
工装:可以设计,客户需提供测试件
测试阀门(以球阀为例),半开状态,全开状态。整个过程分为:加紧,排气,打压,判定,卸荷。
阀门测试台阀门检测设备的特点
1,操作简单,维护方便
2,气动增压,压力可以无极调节
3,数显控制型,显示精度高,设置及操作更加方便
4,阀门加紧工装采用气缸加紧方式,自动化程度高
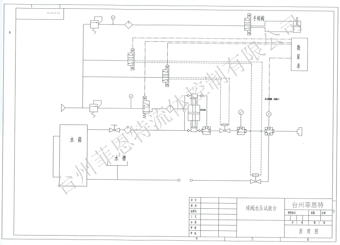
阀门测试台 阀门试压机产品回路草图

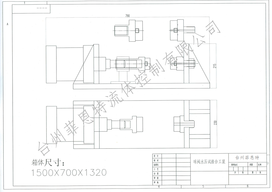
阀门测试台 阀门试压机工装图

核心部件参数